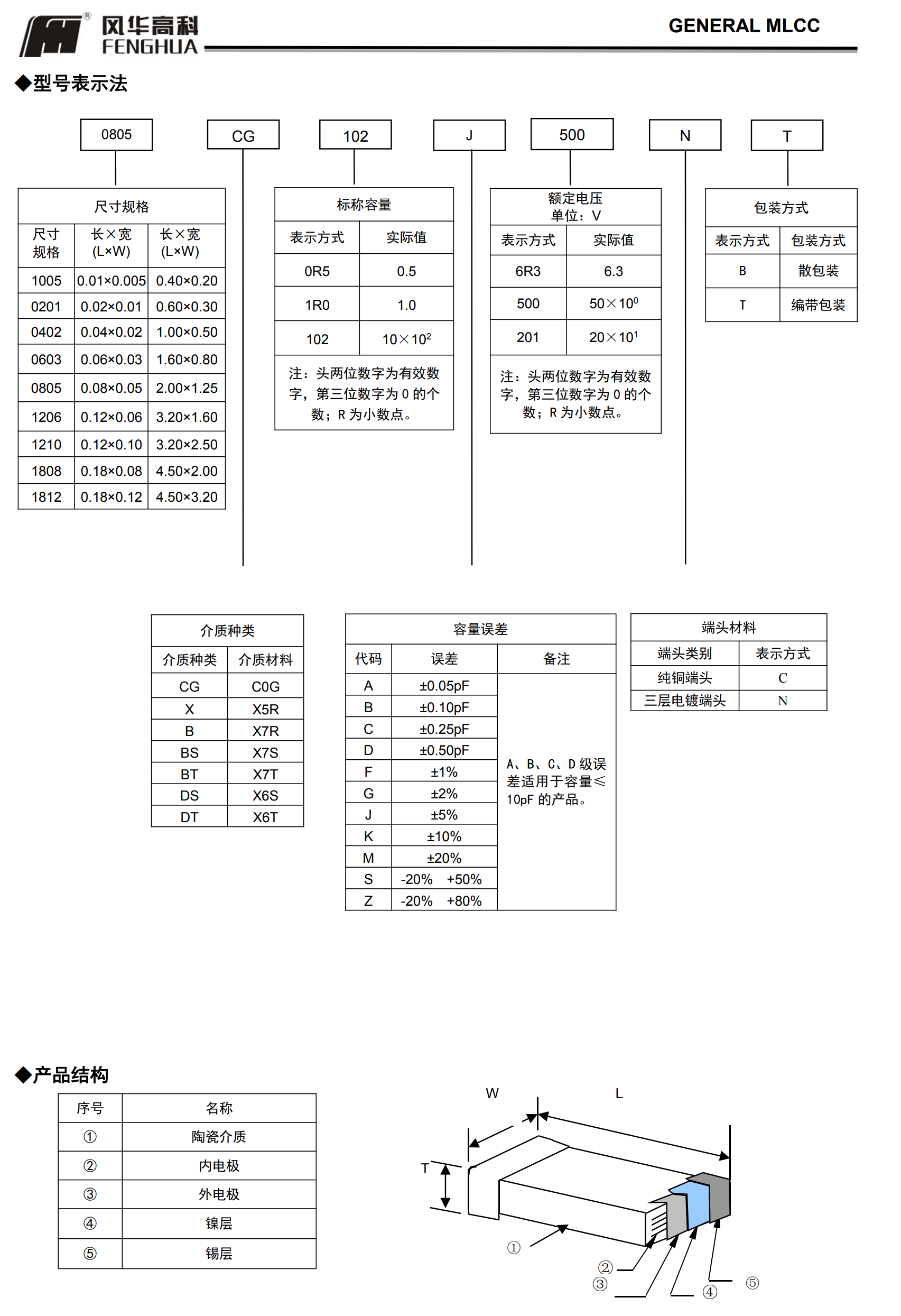
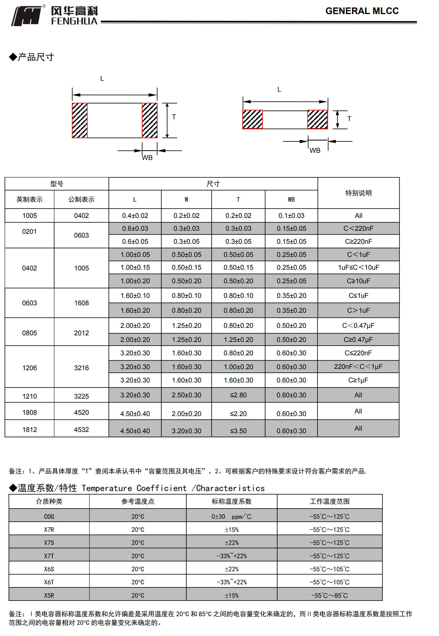
■通用型系列片式陶瓷电容器

◆特征
*叠层独石结构,具有高可靠性能
*具有优良的焊接与耐焊性能,适用于回流焊接与波峰焊接
*具有较高的容量且容量性能稳定
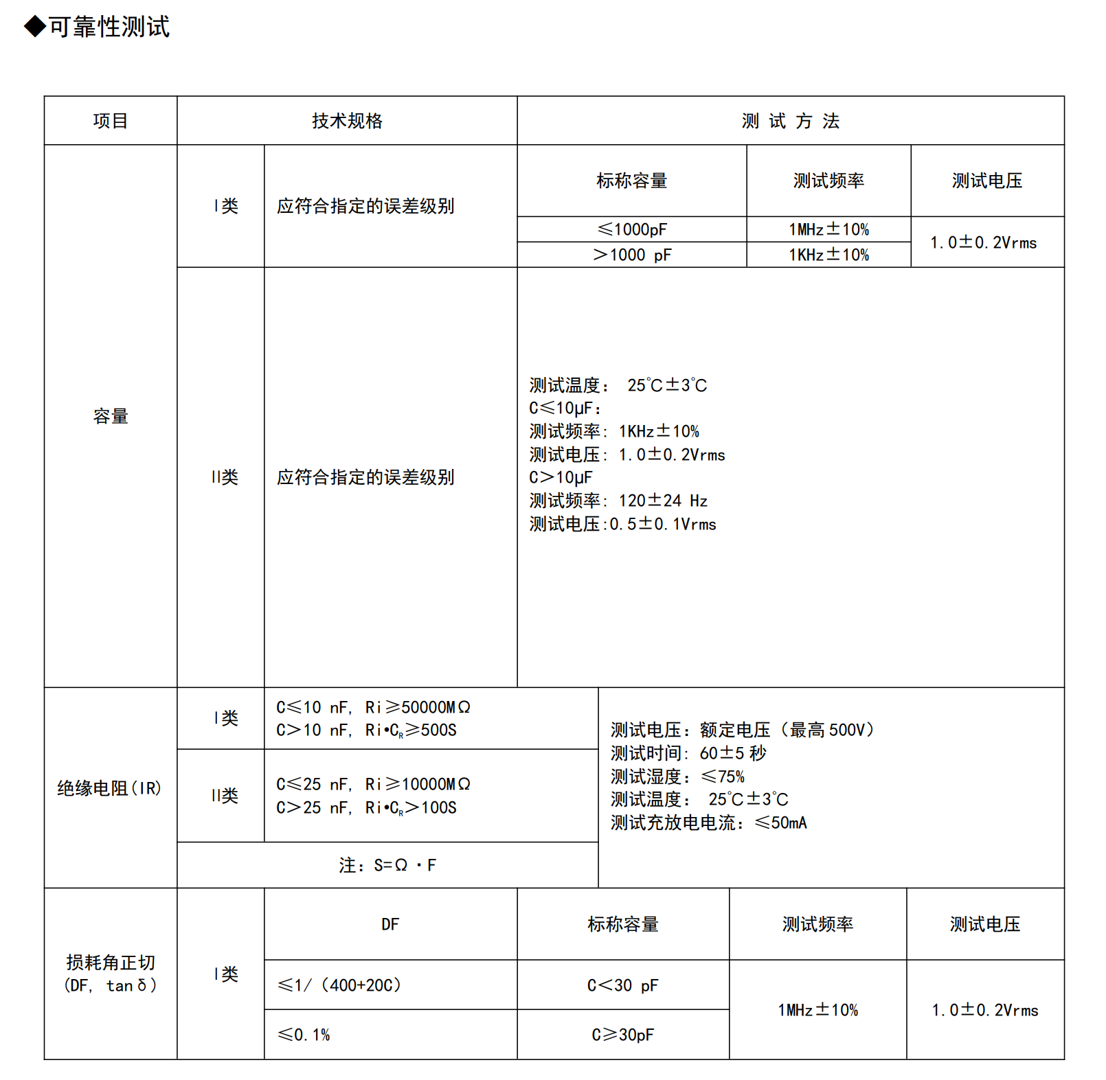
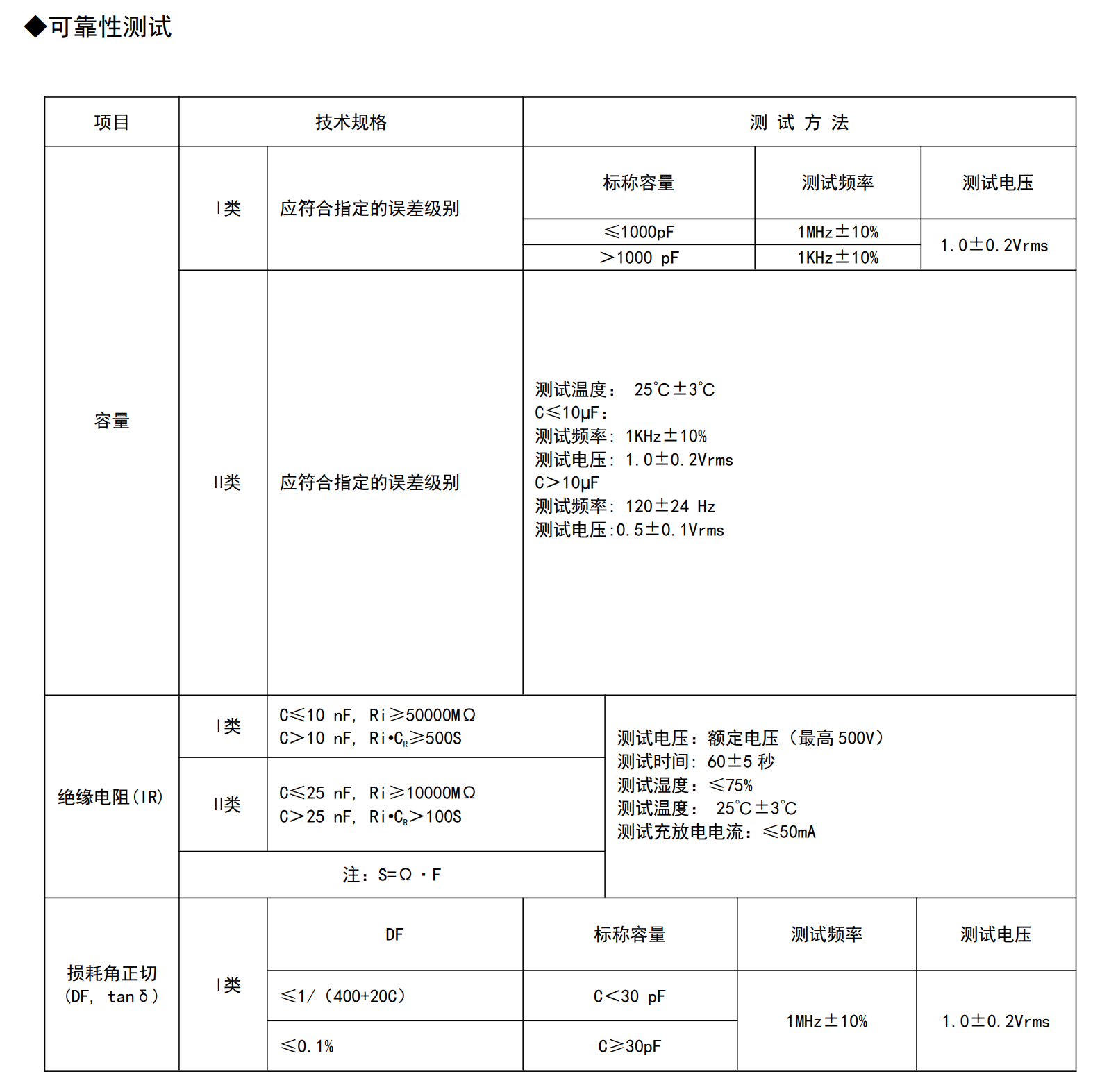
*高频类:此类介质材料的电容器为Ⅰ类电容器。其中 COG、COH 电容器电性能最稳定,几乎不随温度、电压和时间的变化而变化,适用于低损耗,稳定性要求高的高频电路。
*X7R、X7S、X7T、X6S、X6T、X5R、:此类介质材料的电容器为Ⅱ类电容器,具有较高的介电常数,容量比Ⅰ类电容器高,具有较稳定的温度特性,适用于容量范围广,稳定性要求不高的电路中,如隔直、耦合、旁路、鉴频等电路中。
◆应用
*应用于各种滤波、耦合、谐振、旁路、高频电子线







